CD-Žuk
- [13.3. 2026]Smazat/ Upravit/ Topovat








Vše co potřebujete vědět o polských užitkvých automobilech ŽUK - tato elektronická publikace obsahuje katalogy náhradních dílů, návody k obsluze a především také dílenskou servisní příručku, která obsahuje podrobný montážní popis všech oprávárenských prací na uvedeném vozidle.
Vše jako tradičně ve formátu PDF (prohlížeč Acrobat Reader již patrně máte nainstalován ve svém počítači, ale pokud ne, tak jeho instalace je pochopitelně součástí tohoto CD) - snadno si můžete prohlédnout, nebo vytisknout na tiskárně jakoukoliv stránku.
Uvedené publikace vycházejí z firemní literatury
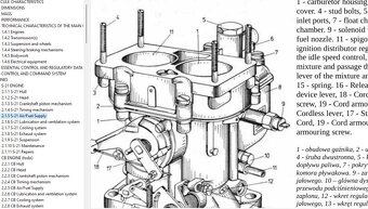
POZOR ! Katalog náhradních dílů je na CD sice i v češtině a kompletní servisní příručka v angličtině - jinak je ale naprostá většina materiálů v polštině. Ve většině případů to nicméně ani moc nevadí, protože v dokumentaci jsou názorné obrázky, ze kterých je plno věcí jasných a srozumitelných...
Vše jako tradičně ve formátu PDF (prohlížeč Acrobat Reader již patrně máte nainstalován ve svém počítači, ale pokud ne, tak jeho instalace je pochopitelně součástí tohoto CD) - snadno si můžete prohlédnout, nebo vytisknout na tiskárně jakoukoliv stránku.
Uvedené publikace vycházejí z firemní literatury
POZOR ! Katalog náhradních dílů je na CD sice i v češtině a kompletní servisní příručka v angličtině - jinak je ale naprostá většina materiálů v polštině. Ve většině případů to nicméně ani moc nevadí, protože v dokumentaci jsou názorné obrázky, ze kterých je plno věcí jasných a srozumitelných...
|
| |||||||||||||||||||||||||||||||
Kontaktovat inzerenta emailem
Kontaktovat emailem může pouze ověřený uživatel.
Vaše telefonní číslo *
Kontaktovat emailem může pouze ověřený uživatel.
Vaše telefonní číslo *